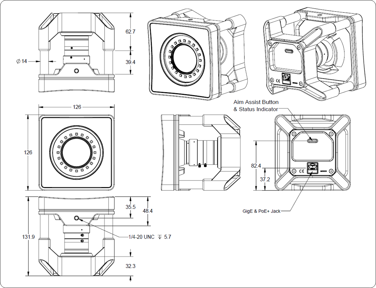
PRIME X 41 Diagram
PRIME 41 Diagram
Product ID
- Prime X 41 Model number: CAM-CAM-P41X
- Prime 41 Model number: CAM-CAM-P41
Physical Characteristics
- Mounting: 0.635 cm (1/4")-20 tripod thread (x2)
- Operating temperature: 0°C to +51°C (32°F to 123.8°F)
- Note: Warm-up time of 30 minutes is recommended for optimal tracking performance. Watch out for condensation when used in temperatures below 0ºC.
- Case: Aluminum and Polycarbonate
Prime X 41:
- Width: 12.6 cm (4.96”)
- Height: 12.6 cm (4.96”)
- Depth: 13.2 cm (5.19”)
- Weight: 1.36 kg (3.0 lb)
Prime 41:
- Width: 12.6 cm (4.96”)
- Height: 12.6 cm (4.96”)
- Depth: 13.6 cm (5.34”)
- Weight: 1.45 kg (3.2 lb)
Lens & Filter
- Stock lens: 12 mm F#1.8 (wide band AR coated)
- Horizontal FOV: 51°
- Vertical FOV: 51°
- Adjustable focus and f-stop
- 850nm band-pass filter
Image Sensor
- Resolution: 2048 x 2048
- Pixel Size: 5.5 µm x 5.5µm
- Frame Rate:
- Prime X 41: 250 FPS max, 100Hz during Tracking Mode
- Prime 41: 30–180Hz during focus mode, 100Hz during Tracking mode
- Accuracy: +/- 0.10mm
- Latency: 5.5ms
- Shutter type: global
- Shutter speed:
- Prime X 41:
- Default: 0.25 ms (250 µs)
- Minimum: 0.01 ms (10 µs)
- Maximum: 4.0 ms (4000 µs) at 250 FPS
- Prime 41:
- Default: 0.5 ms (500 µs)
- Minimum: 0.01 ms (10 µs)
- Maximum:
- 8.1ms (8100 µs) at 120 FPS
- 5.3 ms (5300 µs) at 180 FPS
- Prime X 41:
Input/Output & Power
- Data: GigE (1000BASE-T)
- Synchronization: Ethernet
- Power: PoE or PoE+¹
Attention:
- The switch must provide consistent power to every port simultaneously in order to power each sensor.
- Standard PoE switches must provide a full 30 watts to every port simultaneously.
- Note that PoE Midspan devices or power injectors are not suitable for Ethernet camera systems.
- LLDP enabled PoE+ switch required for full IR LED power.
