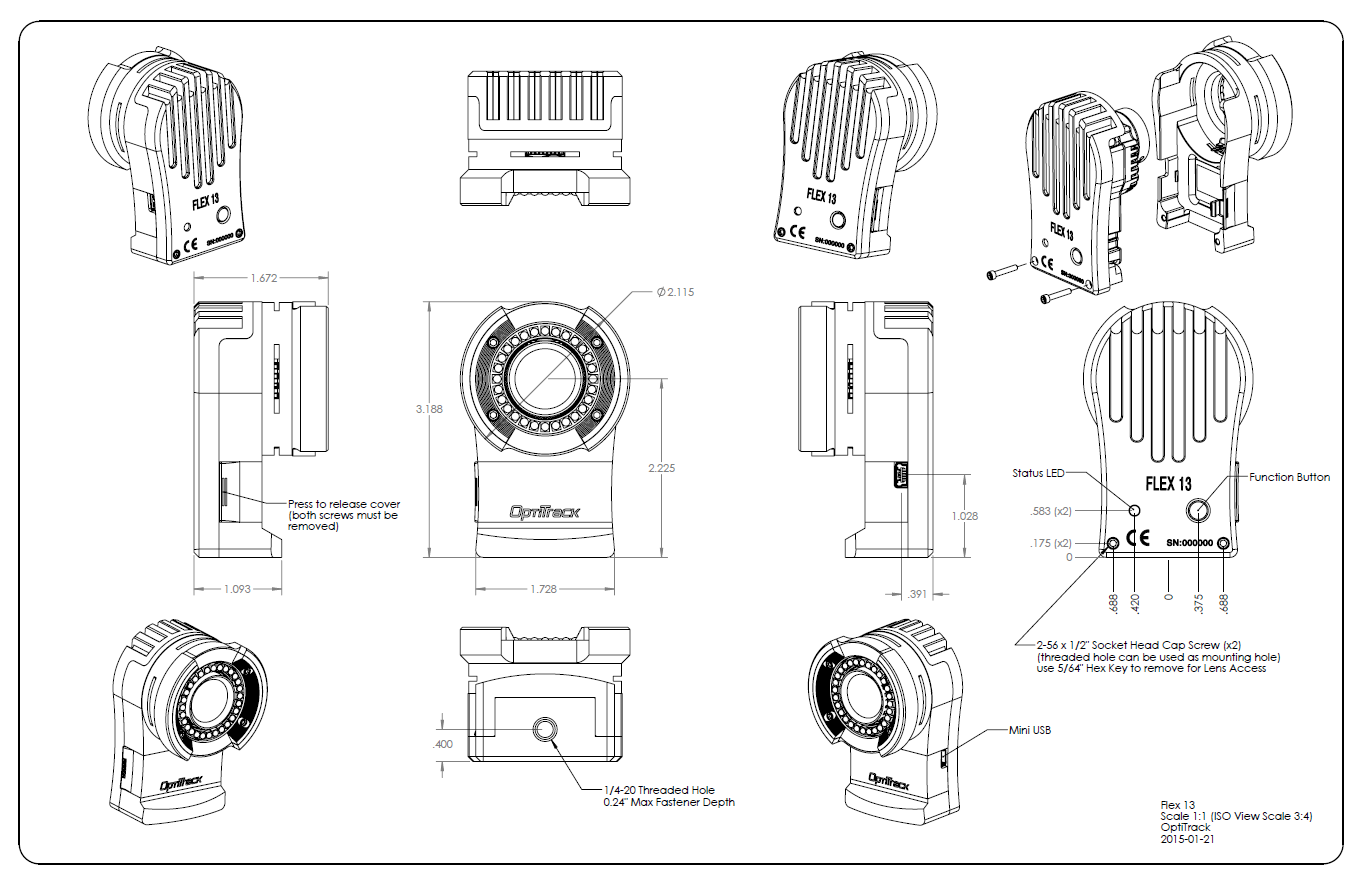
FLEX 13 Diagram
Product ID
- Model number: CAM-CAM-F13
Physical Characteristics
- Mounting: 0.635 cm (1/4”)-20 tripod thread
- Operating temperature: 0°C to +51°C (32°F to 123.8°F)
- Note: Warm-up time of 30 minutes is recommended for optimal tracking performance. Watch out for condensation when used in temperatures below 0°C.
- Case: Aluminum and Polycarbonate
- Width: 5.38 cm (2.12”)
- Height: 8.10 cm (3.19”)
- Depth: 4.24 cm (1.67”)
- Weight: 187 g (6.6 oz)
Lens & Filter
- Stock lens: 5.5 mm F#1.8 (wide band AR coated)
- Horizontal FOV: 56°
- Vertical FOV: 46°
- Optional Lens: 8.0 mm F#1.8 (wide band AR coated)
- Horizontal FOV: 42°
- Vertical FOV: 34°
- Optional Lens: 3.5 mm F#1.8 (wide band AR coated)
- Horizontal FOV: 82°
- Vertical FOV: 70°
- Adjustable focus with wave spring assist
- 850nm band-pass filter
- 850nm (Infrared) / 700nm (Visible) Filter Switcher
Image Sensor
- Resolution: 1280 × 1024
- Frame Rate: 30–240Hz during focus modes, 100Hz during tracking mode
- Latency: 4.2 ms
- Shutter type: global
- Shutter speed:
- Default: 0.5 ms (500 µs)
- Minimum: 0.01 ms (10 µs)
- Maximum: 3.9 ms (3,900 µs) at 240 FPS
Input/Output & Power
Data: USB 2.0
Synchronization: USB 2.0 (via Optisync)
Power: USB 2.0 @ 1A
BTSensor Functions
BTSensors are used to view BTBeacon positions in the Space. A BTBeacon's position in 3 dimensions (X, Y, and Z) can be determined when two or more BTSensors simultaneously have a direct line-of-sight to a connected Stringer’s LED. This information is then sent to the BTServer.
Attention:
Note that USB extensions of any kind are not suitable for connections between USB Sensors and the system's OptiHub.
